رقم الجزء :
d :
D :
B :

سلسلة UCT

سلسلة UCT
  • سلسلة UCT

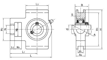
Pillow block bearing unit is combination of an insert bearing, seal and a housing.The internal structure of the insert ball bearing is the same with that of deep groove ball bearing. But the inner race of this bearing is wider than the outer race. The outer race has the spherical surface. Insert ball bearings can self aligning with the fit between the outer race and the bearing block. Insert ball bearings are compact. It’s easy for loading and unloading.Pillow block bearings are widely used in mining, machinery, automotive, textile and chenmical industries.

We can supply UCP, NAP, UKP, SBPP, SAPP,NAF, NAFU,UCF, UCFL, NAFL, NAFL, UCFC, NAFC, SBPF, UCT, NAT, UCC, UCFB, UCFA, UCPH, UCFX series pillow block bearing units.


يختارسؤالرقم الوحدةتحمل رقمرقم السكنرمح ضياءالأبعاد الحدودية (مم) الكتلة (كجم)
في.ممoزpqقbkهأwلjصhثنائيةن
UCT201-8 UC201-8 T204 1/2 - 16 10 51 32 19 51 12 76.2 89 94 21 32 33 61 31 12.7 0.77
UCT202-10 UC202-10 T204 5/8 - 16 10 51 32 19 51 12 76.2 89 94 21 32 33 61 31 12.7 0.77
UCT204 UC204 T204 - 20 16 10 51 32 19 51 12 76.2 89 94 21 32 33 61 31 12.7 0.77
UCT204-12 UC204-12 T204 3/4 - 16 10 51 32 19 51 12 76.2 89 94 21 32 33 61 31 12.7 0.77
UCT205 UC205 T205 - 25 16 10 51 32 19 51 12 76.2 89 97 24 32 35 62 34 14.3 0.86
UCT205-14 UC205-14 T205 7/8 - 16 10 51 32 19 51 12 76.2 89 97 24 32 35 62 34 14.3 0.86
UCT205-15 UC205-15 T205 15/16 - 16 10 51 32 19 51 12 76.2 89 97 24 32 35 62 34 14.3 0.86
UCT205-16 UC205-16 T205 1 - 16 10 51 32 19 51 12 76.2 89 97 24 32 35 62 34 14.3 0.86
UCT206 UC206 T206 - 30 16 10 56 37 22 57 12 89 102 113 28 37 43 70 38.1 15.9 1.32
UCT206-17 UC206-17 T206 1-1/16 - 16 10 56 37 22 57 12 89 102 113 28 37 43 70 38.1 15.9 1.32
UCT206-18 UC206-18 T206 1-1/8 - 16 10 56 37 22 57 12 89 102 113 28 37 43 70 38.1 15.9 1.32
UCT206-19 UC206-19 T206 1-3/16 - 16 10 56 37 22 57 12 89 102 113 28 37 43 70 38.1 15.9 1.32
UCT206-20 UC206-20 T206 1-1/4 - 16 10 56 37 22 57 12 89 102 113 28 37 43 70 38.1 15.9 1.32
UCT207 UC207 T207 - 35 16 13 64 37 22 64 12 89 102 129 30 37 51 78 42.9 17.5 1.59
UCT207-20 UC207-20 T207 1-1/4 - 16 13 64 37 22 64 12 89 102 129 30 37 51 78 42.9 17.5 1.59
UCT207-21 UC207-21 T207 1-5/16 - 16 13 64 37 22 64 12 89 102 129 30 37 51 78 42.9 17.5 1.59
UCT207-22 UC207-22 T207 1-3/8 - 16 13 64 37 22 64 12 89 102 129 30 37 51 78 42.9 17.5 1.59
UCT207-23 UC207-23 T207 1-7/16 - 16 13 64 37 22 64 12 89 102 129 30 37 51 78 42.9 17.5 1.59
UCT208 UC208 T208 - 40 19 16 83 49 29 83 16 102 114 144 33 49 56 88 49.2 19 2.3
UCT208-24 UC208-24 T208 1-1/2 - 19 16 83 49 29 83 16 102 114 144 33 49 56 88 49.2 19 2.3
UCT208-25 UC208-25 T208 1-9/16 - 19 16 83 49 29 83 16 102 114 144 33 49 56 88 49.2 19 2.3
UCT209 UC209 T209 - 45 19 16 83 49 29 83 16 102 117 145 35 49 57 88 49.2 19 2.5
UCT209-26 UC209-26 T209 1-5/8 - 19 16 83 49 29 83 16 102 117 145 35 49 57 88 49.2 19 2.5
UCT209-27 UC209-27 T209 1-11/16 - 19 16 83 49 29 83 16 102 117 145 35 49 57 88 49.2 19 2.5
UCT209-28 UC209-28 T209 1-3/4 - 19 16 83 49 29 83 16 102 117 145 35 49 57 88 49.2 19 2.5
UCT210 UC210 T210 - 50 19 16 83 49 29 86 16 102 117 151 37 49 59 92 51.6 19 2.6
UCT210-30 UC210-30 T210 1-7/8 - 19 16 83 49 29 86 16 102 117 151 37 49 59 92 51.6 19 2.6
UCT210-31 UC210-31 T210 1-15/16 - 19 16 83 49 29 86 16 102 117 151 37 49 59 92 51.6 19 2.6
UCT210-32 UC210-32 T210 2 - 19 16 83 49 29 86 16 102 117 151 37 49 59 92 51.6 19 2.6
UCT211 UC211 T211 - 55 25 19 102 64 35 95 22 130 146 171 38 64 65 106 55.6 22.2 4.1
السابق12التالي