• بيت
  • منتج ساخن
    • محمل كروي ذو أخدود عميق
    • إدراج تحمل
    • تحمل محور العجلة
  • مركز المنتجات
    • إدراج تحمل
    • تحمل الجدار الرقيق
    • تحمل السيراميك
    • محمل كروي ذو أخدود عميق
    • وإذ تضع الأسطوانة
    • تحمل الفولاذ المقاوم للصدأ
    • تحمل عادي Shperical
    • تحمل محور العجلة
  • حول QZL
  • إدارة الجودة
    • المعرفة الصناعية
  • حل الصناعة
  • اتصل بنا
  • EN
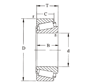
بيت > QZL Bearings > وإذ تضع الأسطوانة > أسطواني مدبب > حجم صف واحد بوصة
رقم الجزء :
d :
D :
B :

حجم صف واحد بوصة

  • هدف
  • رسم
حجم صف واحد بوصة
  • حجم صف واحد بوصة
حجم صف واحد بوصة
PDF
يختارسؤالتحمل رقمالأبعاد الحدودية (مم) تقييمات الحمل الأساسية (كيلو نيوتن)
د:ب:رد:جصتديناميكي (كر)ثابت (كور)
1380 22.225 20.168 1.5
1380/28 22.225 20.168 1.5 52.388 14.288 1.5 19.368 40.5 43
14117A/276 30 19.583 1.3 69.012 15.875 3.5 19.845 48.5 58
14125A 31.75 19.583 1.3
14137A 34.925 19.583 1.3
14137A/276 34.925 19.583 1.3 69.012 15.875 1.5 19.845 48.5 58
14276 69.012 15.875 1.3
15100 25.4 20.638 1.3
15100/245 25.4 20.638 1.3 62 14.288 3.5 19.05 46.5 54
15101 25.4 20.638 2
15101/243 25.4 20.638 2 61.912 14.288 0.8 19.05 46.5 54
15103 26.157 20.638 1.3
15103/245 26.157 20.638 1.3 62 14.288 0.8 19.05 46.5 54
15106 26.988 20.638 1.3
15106/245 26.988 20.638 1.3 62 14.288 0.8 19.05 46.5 54
15123 31.75 19.05 1.3
15123/245 31.75 19.05 1.3 62 14.288 18.161 46.5 54
15125 31.75 20.638 1.3
15125/245 31.75 20.638 1.3 62 14.288 3.5 19.05 46.5 54
15126 31.75 20.638 1.3
15126/245 31.75 20.638 1.3 62 14.288 0.8 19.05 46.5 54
15243 61.912 14.288 0.8
15245 62 14.288 0.8
1780 25.4 19.837 1.3
18520 73.025 12.7 3.5
18590 41.275 17.462 1.5
18590/20 41.275 17.462 1.5 73.025 12.7 3.5 16.667 46 55.5
18620 79.375 13.495 2.8
18690 46.038 17.462 1.5
18720 85 13.495 3.5
السابق12التالي
أكثر من 20 عامًا من الخبرة في تصنيع المحامل الكروية
حول QZL
  • جولة في المصنع
  • ضبط الجودة
مركز المنتجات
  • محمل كروي ذو أخدود عميق
  • إدراج تحمل
  • تحمل محور العجلة
  • تحمل الجدار الرقيق
  • تحمل السيراميك
  • وإذ تضع الأسطوانة
اتصل بنا
  • شخص الاتصال: السيد تشى
  • المسمى الوظيفي : مدير عام
  • الهاتف: +86 18769581758
  • البريد الإلكتروني: admin@qzlbearings.com
  • العنوان: مجمع Yandian Bearing الصناعي، مدينة Linqing، مدينة Liaocheng، مقاطعة Shandong
Copyright © 2025 Shandong Longhai Bearing Co., Ltd. All Rights Reserved.
  • 86 18769581758
  • admin@qzlbearings.com