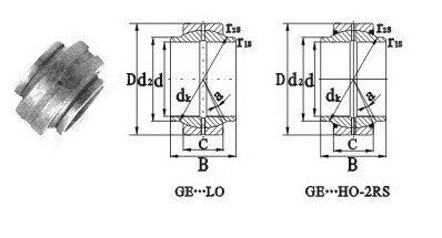
رقم الجزء :
d :
D :
B :

غي...لو

غي...لو
  • غي...لو