
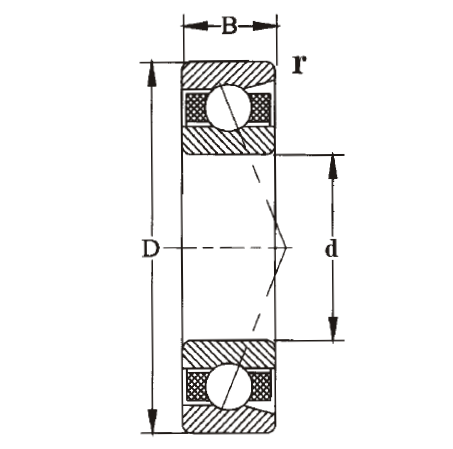
Angular contact ball bearings have a contact angle; they are designed to sustain significant combined axial and radial load simultaneously. ITS axial load carrying capacity increases with respect to the bearing's contact angle. The contact angle (∝) is defined as the angle between the line contacting the raceway and ball.
Matched angular contact ball bearings such as Back-to-back (DB), Face-to-face (DF) arrangements are also available for usage in applications where radial and axial loads in both directions can be sustained. Regarding the tandem arrangement (DT), please contact ITS Technical Support.
| يختار | سؤال | تحمل رقم | الأبعاد الحدودية (مم) | تقييمات الحمل الأساسية (كيلو نيوتن) | الحد من السرعة (دورة في الدقيقة) | كتلة | ||||
|---|---|---|---|---|---|---|---|---|---|---|
| د: | د: | ب: | ديناميكي (كر) | ثابت (كور) | شحم | زيت | كجم | |||
| 7406AC | 30 | 90 | 23 | 55.6 | 32.7 | 6500 | 8500 | 0.96 | ||
| 7407AC | 35 | 100 | 25 | 66.4 | 41.9 | 5500 | 8000 | 1.14 | ||
| 7408AC | 40 | 110 | 27 | 73.7 | 42.1 | 5200 | 7000 | 1.4 | ||
| 7409AC | 45 | 120 | 29 | 84.5 | 55.1 | 5000 | 6500 | 1.8 | ||
| 7410AC | 50 | 130 | 31 | 115.8 | 78.3 | 4500 | 6000 | 2.25 | ||
| 7411AC | 55 | 140 | 33 | 121.4 | 84.5 | 4200 | 5600 | 2.75 | ||
| 7412AC | 60 | 150 | 35 | 131.8 | 95.3 | 3800 | 5200 | 3.4 | ||
| 7413AC | 65 | 160 | 37 | 142.5 | 106.7 | 3400 | 4800 | 4.2 | ||
| 7414AC | 70 | 180 | 42 | 154.6 | 122 | 3200 | 4500 | 5.8 | ||
| 7415AC | 75 | 190 | 45 | 165.2 | 133.5 | 3000 | 4200 | 7 | ||
| 7416AC | 80 | 200 | 48 | 176.5 | 147.2 | 2800 | 4000 | 8.4 | ||
| 7417AC | 85 | 210 | 52 | 188 | 161.5 | 2600 | 3700 | 9.6 | ||
| 7418AC | 90 | 225 | 54 | 200.3 | 178.1 | 2400 | 3400 | 11.2 | ||