رقم الجزء :
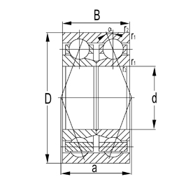
d :
D :
B :

3200 Series

3200 Series
  • 3200 Series

Angular contact ball bearings have a contact angle; they are designed to sustain significant combined axial and radial load simultaneously. ITS axial load carrying capacity increases with respect to the bearing's contact angle. The contact angle (∝) is defined as the angle between the line contacting the raceway and ball.

Matched angular contact ball bearings such as Back-to-back (DB), Face-to-face (DF) arrangements are also available for usage in applications where radial and axial loads in both directions can be sustained. Regarding the tandem arrangement (DT), please contact ITS Technical Support.


يختارسؤالتحمل رقمالأبعاد الحدودية (مم) تقييمات الحمل الأساسية (كيلو نيوتن)الحد من السرعة (دورة في الدقيقة)كتلة
د:د:ب:روبية دقيقةديناميكي (كر)ثابت (كور)شحمزيتكجم
3200 10 30 14.3 0.6 8.4 6.5 14000 19000 0.05l
3201 12 32 15.9 0.6 8.45 6.7 13000 17000 0.06
3202 15 35 15.9 0.6 11.1 9.05 11000 15000 0.069
3203 17 40 17.5 0.6 14.2 11.8 9900 13000 0.099
3204 20 47 20.6 1 17.5 15.2 8800 12000 0.166
3205 25 52 20.6 1 19.3 18.4 7300 9800 0.183
3206 30 62 23.8 1 27.7 27.4 6300 8400 0.303
3207 35 72 27 1.1 37.5 38 5500 7400 0.458
3208 40 80 30.2 1.1 40.5 45 4900 6600 0.627
3209 45 85 30.2 1.1 46.5 52 4400 5900 0.678
3210 50 90 30.2 1.5 52.5 60 4000 5300 0.698
3211 55 100 33.3 1.5 66 76.5 3600 4900 1.07
3212 60 110 36.5 1.5 70.5 88 3400 4500 1.34
3213 65 120 38.1 1.5 78 99 3100 4200 1.68
3214 70 125 39.7 1.5 86 110 2900 3900 1.84
3215 75 130 41.3 1.5 94 122 2700 3600 2
3216 80 140 44.4 2 104 131 2500 3400 2.71
3217 85 150 49.2 2 121 155 2400 3200 3.48
3218 90 160 52.4 2 135 170 2200 3000 4.24
3219 95 170 55.6 2.1 144 184 2100 2800 5.1
3220 100 180 60.3 2.1 189 234 2000 2700 5.88