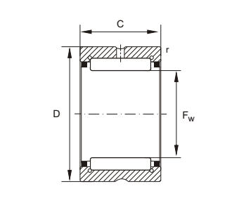
| 选择 | 询价 | 型号 | 尺寸(mm) | 基本额定载荷 | 限制速度(rpm ) | 重量 | |||
|---|---|---|---|---|---|---|---|---|---|
| Fw | د: | ج | 额定动载荷(Cr) | 额定静载荷(Cor) | Oil | Kg | |||
| NKS14 | 14 | 25 | 16 | 10400 | 10800 | 17652 | 27 | ||
| NKS16 | 16 | 28 | 16 | 14900 | 15000 | 20000 | 30 | ||
| NKS20 | 20 | 32 | 20 | 20000 | 22000 | 18000 | 46.8 | ||
| NKS22 | 22 | 35 | 20 | 21500 | 25000 | 17000 | 60.2 | ||
| NKS25 | 25 | 38 | 20 | 25800 | 31000 | 16300 | 65 | ||
| NKS28 | 28 | 42 | 20 | 25900 | 33500 | 14600 | 80 | ||
| NKS32 | 32 | 47 | 22 | 31000 | 40000 | 12100 | 100 | ||