主页
热门产品
深沟球轴承
外球面轴承
轮毂轴承
产品中心
外球面轴承
薄壁轴承
陶瓷轴承
深沟球轴承
滚子轴承
不锈钢轴承
关节轴承
轮毂轴承
关于 QZL
质量管理
行业新闻
行业解决方案
联系我们
EN
首页
>
珑海轴承
>
滚柱轴承
>
滚针轴承
> NA48 系列
رقم القطعة:
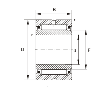
d :
D :
B :
NA48 系列
实物图
二维图
PDF
联系人 :
电话 :
البريد الإلكتروني : :
备注 :
验证码:
选择
询价
型号
尺寸(mm)
基本额定载荷(kN)
限制速度(rpm )
重量
د:
Fw
د:
ج
额定动载荷(Cr)
额定静载荷(Cor)
油
Kg
NA4822
110
120
140
30
94000
216000
3900
1080
NA4824
120
130
150
30
99000
239000
3600
1170
NA4826
130
145
165
35
118000
310000
3200
1810
NA4828
140
155
175
35
120000
325000
3000
1920
86 18769581758
admin@qzlbearings.com