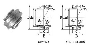
| 选择 | 询价 | 型号 | 尺寸 (mm) | α· ≈ | 额定载荷 (KN) | 重量 (kg) | ||||||||
|---|---|---|---|---|---|---|---|---|---|---|---|---|---|---|
| د: | d2 min | د: | ب: | ج | dk | r1s min | r2s min | ج | CO | |||||
| GE20LO | 20 | 25 | 35 | 20 | 12 | 29 | 0.3 | 0.3 | 4 | 30 | 146 | 0.07 | ||
| GE25LO | 25 | 30 | 42 | 25 | 16 | 35.5 | 0.6 | 0.6 | 4 | 48 | 240 | 0.12 | ||
| GE32LO | 32 | 38 | 52 | 32 | 18 | 44 | 0.6 | 1 | 4 | 67 | 335 | 0.2 | ||
| GB40LO | 40 | 46 | 62 | 40 | 22 | 53 | 0.6 | 1 | 4 | 100 | 500 | 0.34 | ||
| GE50LO | 50 | 57 | 75 | 50 | 28 | 66 | 0.6 | 1 | 4 | 156 | 780 | 0.56 | ||
| GE63LO | 63 | 71.5 | 95 | 63 | 36 | 83 | 0.1 | 1 | 4 | 255 | 1270 | 1.2 | ||
| GE70LO | 70 | 79 | 105 | 70 | 40 | 92 | 1 | 1 | 4 | 315 | 1560 | 1.7 | ||
| GE8OLO | 80 | 91 | 120 | 80 | 45 | 105 | 1 | 1 | 4 | 400 | 2000 | 2.4 | ||
| GE20HO-2RS | 20 | 24 | 35 | 24 | 12 | 29 | 0.2 | 0.3 | 3 | 30 | 146 | 0.057 | ||
| GE25HO-2RS | 25 | 29 | 42 | 29 | 16 | 35.5 | 0.2 | 0.6 | 3 | 48 | 240 | 0.1 | ||
| GE30HO-2RS | 30 | 34.2 | 47 | 30 | 18 | 40.7 | 0.2 | 0.6 | 3 | 62 | 310 | 0.14 | ||
| GE35HO-2RS | 35 | 40 | 55 | 35 | 20 | 47 | 0.3 | 1 | 3 | 80 | 400 | 0.24 | ||
| GE40HO-2RS | 40 | 45 | 62 | 38 | 22 | 53 | 0.3 | 1 | 3 | 100 | 500 | 0.29 | ||
| GE45HO-2RS | 45 | 51.5 | 68 | 40 | 25 | 60 | 0.3 | 1 | 3 | 127 | 640 | 0.43 | ||
| GE50HO-2RS | 50 | 56.5 | 75 | 43 | 28 | 66 | 0.3 | 1 | 3 | 156 | 780 | 0.54 | ||
| GE60HO-2RS | 60 | 67.7 | 90 | 54 | 36 | 80 | 0.3 | 1 | 3 | 245 | 1220 | 1.1 | ||
| GE70HO-2RS | 70 | 78 | 105 | 65 | 40 | 92 | 0.3 | 1 | 3 | 315 | 1560 | 1.6 | ||
| GE80HO-2RS | 80 | 90 | 120 | 74 | 45 | 105 | 0.3 | 1 | 3 | 400 | 2000 | 2.4 | ||