
角接触球轴承具有接触角;其设计用于同时承受较大的轴向和径向联合载荷。ITS 的轴向承载能力随轴承接触角的增大而增大。接触角 (∝) 定义为滚道与滚珠接触线之间的夹角。
配对角接触球轴承,例如背对背 (DB) 和面对面 (DF) 配置,也适用于能够承受双向径向和轴向载荷的应用。关于串联配置 (DT),请联系 ITS 技术支持。
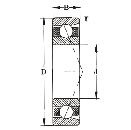
| 选择 | 询价 | 型号 | 尺寸(mm) | 基本额定载荷(kN) | 限制速度(rpm ) | 重量 | ||||
|---|---|---|---|---|---|---|---|---|---|---|
| د: | د: | ب: | 额定动载荷(Cr) | 额定静载荷(Cor) | 油脂 | 油 | Kg | |||
| 7301B | 12 | 37 | 12 | 10.5 | 4.9 | 16000 | 22000 | 0.06 | ||
| 7302B | 15 | 42 | 13 | 12.4 | 6.5 | 14000 | 19000 | 0.08 | ||
| 7303B | 17 | 47 | 14 | 14.1 | 8.1 | 13000 | 17000 | 0.16 | ||
| 7304B | 20 | 52 | 15 | 17.3 | 9.6 | 11000 | 15000 | 0.14 | ||
| 7305B | 25 | 62 | 17 | 24.3 | 14.1 | 9000 | 13000 | 0.23 | ||
| 7306B | 30 | 72 | 19 | 29.3 | 18.1 | 8000 | 11000 | 0.34 | ||
| 7307B | 35 | 80 | 21 | 38.3 | 24.4 | 7000 | 9500 | 0.45 | ||
| 7308B | 40 | 90 | 23 | 46.5 | 29.5 | 6300 | 8500 | 0.63 | ||
| 7309B | 45 | 100 | 25 | 59.6 | 39.6 | 5600 | 7500 | 0.85 | ||
| 7310B | 50 | 110 | 27 | 68.1 | 48 | 5000 | 6700 | 1.1 | ||
| 7311B | 55 | 120 | 29 | 82.2 | 56.2 | 4500 | 6300 | 1.4 | ||
| 7312B | 60 | 130 | 31 | 91.5 | 65.4 | 4300 | 5600 | 1.75 | ||
| 7313B | 65 | 140 | 33 | 102.3 | 75.3 | 3800 | 5300 | 2.15 | ||
| 7314B | 70 | 150 | 35 | 114.6 | 85.9 | 3600 | 5000 | 2.65 | ||
| 7315B | 75 | 160 | 37 | 127.7 | 95.4 | 3400 | 4800 | 3.2 | ||
| 7316B | 80 | 170 | 39 | 141.4 | 107.9 | 3200 | 4800 | 3.8 | ||
| 7317B | 85 | 180 | 41 | 155.8 | 120.9 | 3000 | 4000 | 4.45 | ||
| 7318B | 90 | 190 | 43 | 157.9 | 136.9 | 3000 | 4000 | 5.3 | ||
| 7319B | 95 | 200 | 45 | 172 | 154.1 | 2800 | 4000 | 6.4 | ||
| 7320B | 100 | 215 | 47 | 190 | 177.3 | 2600 | 3800 | 7.29 | ||
| 7321B | 105 | 225 | 49 | 201.7 | 193.3 | 2400 | 3600 | 8.55 | ||
| 7322B | 110 | 240 | 50 | 225.8 | 225.3 | 2200 | 3400 | 9.84 | ||